一、Q41F不銹鋼美標浮動球閥產品概述
Q41F不銹鋼美標浮動球閥閥體、內件均采用不銹鋼CF8、CF3、CF8M、CF3M等,此種材質特別適合于天然氣和酸堿腐蝕性介質。

Q41F不銹鋼美標浮動球閥屬于浮動球球閥,其設計制造標準是API 600、API 602,在管路中主要用來做切斷、分配和改變介質的流動方向。美標不銹鋼浮動球閥主要是用一個帶有圓形通道的球體作啟閉件,該啟閉件是一個有孔的球體,繞垂直于通道的軸線旋轉,從而達到啟閉通道的目的。
二、Q41F不銹鋼美標浮動球閥主要零部件材料表
序號
|
零件名稱
|
材料名稱
|
Q41F/H-P
|
Q41F/H-PL
|
Q41F/H-R
|
Q41F/H-RL
|
1
|
閥體左體
|
A315-CF8
|
A35-CF3
|
A351-CF8M
|
A351-CF3M
|
2
|
球體
|
B2-B8
|
A182-F304L
|
A182-F304L
|
A132-F316
|
A182-F316L
|
B8以上
|
A351-CF8M
|
A351-CF3
|
A351-CF8M
|
A351-CF3M
|
3
|
閥桿
|
A182-F304
|
A182-F304L
|
A182-F316
|
A182-F316L
|
4
|
閥座
|
PTFE/增強PTFE/NYLIN/柔性石墨
|
5
|
閥座支承圈
|
A182-F304
|
A182-F304L
|
A182-F316
|
A182-F316L
|
6
|
彈簧
|
3yc-7/17-49H
|
7
|
螺柱
|
A193-B8
|
8
|
螺母
|
A194-8
|
三、Q41F不銹鋼美標浮動球閥主要性能規范表
壓力等級
|
磅級(Class)
|
150Lb
|
300Lb
|
400Lb
|
600Lb
|
試驗壓力
(MPa)
|
殼體試驗
|
3.03
|
7.5
|
10.2
|
15.0
|
密封試驗
|
2.2
|
5.5
|
7.48
|
11.0
|
適用工況
|
適用介質
|
P:適用于硝酸類;R適用于醋酸類
|
適用溫度
|
-196~≤550℃
|
適用規范
|
設計制造按
|
API60
|
法蘭尺寸按
|
ANSI B16.5
|
結構長度按
|
ANSI B16.0
|
檢驗試驗按
|
API598
|
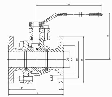
四、Q41F不銹鋼美標浮動球閥主要外形尺寸表
公稱壓力
PN(MPa)
|
公稱通徑
NPS(in)
|
尺寸(mm)
|
L
|
D
|
T
|
G
|
C
|
n-φd
|
W
|
H
|
1.6-2.0
Class150
|
1/2"
|
108
|
89
|
12
|
35
|
60.5
|
4-15
|
115
|
72
|
3/4"
|
117
|
98
|
12
|
43
|
70
|
4-15
|
115
|
76
|
1"
|
127
|
108
|
12
|
51
|
79.5
|
4-15
|
150
|
92
|
11/2"
|
165
|
127
|
14.3
|
73
|
98.5
|
4-16
|
200
|
123
|
2"
|
178
|
152
|
15.9
|
92
|
120.5
|
4-19
|
200
|
132
|
21/2"
|
190
|
178
|
17.5
|
105
|
139.5
|
4-19
|
320
|
164
|
3"
|
203
|
190
|
19.1
|
127
|
152.4
|
4-19
|
320
|
173
|
4"
|
229
|
229
|
23.9
|
157
|
190.5
|
8-19
|
450
|
210
|
6"
|
394
|
279
|
26
|
216
|
241.5
|
8-22
|
8000
|
288
|
8"
|
457
|
343
|
29
|
270
|
298.5
|
8-22
|
1120
|
374
|
10"
|
533
|
406
|
31
|
324
|
362
|
12-25
|
1420
|
366
|
12"
|
610
|
483
|
32
|
381
|
432
|
12-25
|
1420
|
412
|
2.5-5.0
Class300
|
1/2"
|
140
|
95
|
15
|
35
|
66.5
|
4-15
|
115
|
72
|
3/4"
|
152
|
117
|
16
|
43
|
82.5
|
4-19
|
115
|
76
|
1"
|
165
|
124
|
18
|
51
|
89
|
4-19
|
150
|
92
|
11/2"
|
190
|
156
|
20.7
|
73
|
114.5
|
4-22
|
200
|
123
|
2"
|
216
|
165
|
22.3
|
92
|
127
|
8-19
|
200
|
132
|
21/2"
|
241
|
190
|
25.4
|
105
|
149
|
8-22
|
320
|
164
|
3"
|
283
|
210
|
28.5
|
127
|
168.5
|
8-22
|
320
|
173
|
4"
|
305
|
254
|
31.8
|
157
|
200
|
8-22
|
450
|
210
|
6"
|
403
|
318
|
36.6
|
216
|
270
|
12-22
|
1120
|
336
|
8"
|
502
|
381<, /P>
|
42
|
270
|
330
|
12-25
|
1420
|
385
|
10"
|
568
|
444
|
48
|
324
|
387.5
|
16-29
|
1420
|
370
|